A Harvey Performance Company

Quick Change - Broaching Tools - Metric Keyway

Internal Diameter (ID) - Quick Change
QBRKM | Turning Tools

Micro 100's QBRKM, offering of Metric Keyway Broaching tools for DIN standards, is optimized for use with the proprietary Micro-Quik quick change system to maximize productivity through reliable accuracy and locational repeatability.

  • Designed for multiple pass static broaching of metric internal and external keyways
  • Available in tolerance grades P9, JS9 (DIN 6885), and C11 (DIN 138)
  • Coolant fed enabled shank design
  • Proprietary Micro-Quik quick change system maximizes productivity through reliable accuracy and locational repeatability
  • nACRo® coating option for added heat resistance in difficult to machine materials
  • Solid carbide
  • CNC ground in the USA

Advanced Search

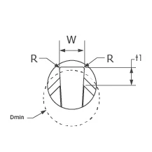
Tolerance Grade Broach Width Minimum Bore Dia.* Max Broach Depth Corner Radius Max Radial Engagement Broach Height Centerline Offset Length From Holder Shank Diameter Overall Length Uncoated nACRo® Coated Add to Cart
  mm equiv W +.0000"/-.0010" Dmin L2 +.030"-.000" R +.001"/-.001" T1 H L4 F D2 (h6) L1 Tool # Price Tool # Price
*Minimum Bore Diameter is for reference only. Please refer to workpiece specifications or standard bore sizes for proper bore sizing.

Write A Review

Thank you for your review. It has been submitted to the website administrator for approval

Please select a rating.

Write A Review

Thank you for your review. It has been submitted to the website administrator for approval

Please select a rating.